爱分享
听新闻
放大镜
放大字体
缩小字体
换肤:
繁体版
|
集群首页
|
手机版
|
首页
12309检察服务
在线办案
法律法规
外部监督
媒体关注
公益诉讼
知识产权保护
我要投稿
苏检集群:
南京
玄武
秦淮
建邺
鼓楼
浦口
栖霞
雨花台
江宁
六合
溧水
高淳
江宁开发区
江北新区
无锡
江阴
宜兴
梁溪
锡山
惠山
滨湖
新吴
徐州
云龙
鼓楼
贾汪
泉山
铜山
丰县
沛县
睢宁
邳州
新沂
开发区
常州
天宁
钟楼
新北
武进
金坛
溧阳
天目湖
经开区
苏州
姑苏
虎丘
吴中
相城
吴江
张家港
昆山
太仓
常熟
工业园区
南通
崇川
通州
海安
如东
如皋
海门
经开区
启东
通州湾示范区
连云港
东海
灌云
灌南
赣榆
海州
连云
开发区
淮安
清江浦
淮安
淮阴
洪泽
涟水
盱眙
金湖
开发区
盐城
亭湖
盐都
大丰
滨海
射阳
阜宁
建湖
响水
东台
经开区
大中地区
扬州
广陵
邗江
江都
经开区
宝应
仪征
高邮
镇江
京口
润州
丹徒
丹阳
扬中
句容
金山
经开区
泰州
海陵
高港
姜堰
兴化
泰兴
靖江
医药高新区
宿迁
宿城
宿豫
沭阳
泗阳
泗洪
洪泽湖
经开区
铁检院
南京铁检
徐州铁检
无锡市高新区检察院
>
专题
>
办案办事流程
> 正文
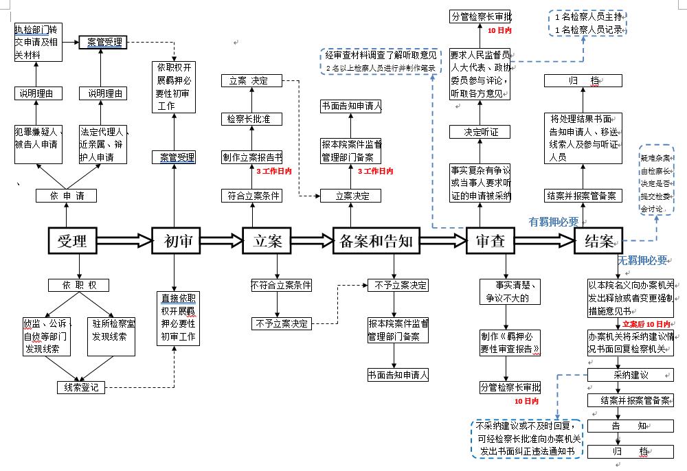
【办案办事流程】羁押必要性审查案件办案流程
2019-09-19 16:53:00
来源:
江苏省检察院
编辑:
郝红梅
更多…
本院要闻
·
“泰吴护新”知识产权“法治体检”征集令(第三届)
·
江苏检察报告中的“无锡元素”
·
新检之星丨尹艳容:把公平正义落在每一个案子里
·
【新检新声】汤季钦:于细微处见功夫 在办案中求极致
·
这五类电诈要小心!
·
新吴检察:支持起诉 解决21名保洁阿姨的烦“薪”事
·
无锡新吴:高质效推进涉外检察工作 护航科技创新和企业出海
·
走进养老机构,看“检察蓝”如何守护“夕阳红”
·
无锡市新吴区第二届人民代表大会第五次会议胜利闭幕
·
【两会特辑】“云端”守护 “未”爱同行——2025年新吴未检网络保护“那些事”
更多…
视觉专栏
【宪法宣传周】宪法与我的一生:一生守护 从出生到晚年
讲好检察故事,传递司法力量
学吴·至镜丨新吴检察院召开青年干警交流座谈会
新检之星丨周有江:守护公共利益的青年“检察尖兵”
更多…
案件发布
·
【拍案】大喊“抓赌”者入狱,咋回事?
·
【拍案】有渠道有折扣?注意!“特供酒”都是“假酒”
·
最高检发布5件检察机关常态化开展扫黑除恶斗争典型案例,新吴1例入选!
·
【拍案】胆大!老赖将法院查封的设备33万卖掉
·
新吴区检察院一案例入选全省打击治理金融犯罪维护金融稳定安全新闻发布会典型案例!
·
【拍案】用“同名人”银行卡“金蝉脱壳”,判刑!
·
【拍案】货车开进河里 司机报警却牵出一起合同诈骗案
·
【拍案】小心有诈!来自“鹿场小妹”的……
·
【拍案】天上掉陷阱,投资还能免费旅游?
·
【央视报道 】新吴检察办理的“盗链第一大案”判了
更多…
新媒体
无锡高新区检察院
无锡高新区检察院